8 (800) 775 40 55
Звонок из регионов России
бесплатный!
бесплатный!
Профессиональный строительный инструмент и оборудование
Каталог инструментов
Промышленный термонагреватель Forsthoff Model 3000E
Промышленный термонагреватель Forsthoff Model 3000E или 3000 Electronic (Форстхофф Модель 3000Е или 3000 Электроник) с плавной электронной регулировкой мощности термонагрева предназначен для использования в различных технологических процессах для термоусадки, сушки поверхностей, формовки изделий из термопластов и полипропиленов, сварки горячим воздухом; на конвейерах; в технологическом оборудовании.
Производитель: FORSTHOFF (ФОРСТХОФФ) – Германия.
Преимущества промышленного термонагревателя Forsthoff Model 3000E:
- Вокруг корпуса нагревателя установлен защитный сетчатый экран, предохраняющий оператора от ожогов
- Простая замена нагревательного элемента: необходимо отвернуть 4 болта и снять корпус нагревателя вместе с защитным сетчатым экраном
- Электронный регулятор мощности нагрева воздуха
- Выключатель нагревателя отдельно от регулятора мощности. Это позволяет по окончании работы отключить нагрев и охладить нагреватель, не изменяя настроек мощности
- Конструкция и материалы рассчитаны на нагрев воздуха до температуры не выше 700°C. Очевидно, что температура воздуха на выходе из нагревателя определяется тремя величинами: совокупной мощностью спиралей нагревателя; начальной температурой воздуха; потоком воздуха. Например, если поток воздуха 220 л/мин, то 3-х киловаттный нагреватель нагреет его на ΔТ = 680°C. Это значит, что если температура воздуха на входе в нагреватель будет 20°C, то на выходе из нагревателя – 700°C. Таким образом, для 3-х киловаттного нагревателя минимально допустимый поток воздуха – 220 л/мин. При большем потоке температура воздуха на выходе из нагревателя будет ниже. При меньшем потоке нагревательный элемент быстро сгорит
- Устанавливаются любые сопла с посадочным Ø 50 мм (F4030, F4031 и F4021, F4022). Принимая во внимание стационарную установку термонагревателя, в первую очередь рекомендуются плоские щелевые сопла F4021 и F4022, предназначенные для равномерного термонагрева больших поверхностей
| Артикул | Напряжение | Мощность |
| F3060 | 230 В | 1200 + 1800 = 3000 Вт |
| F3061 | 400 В | 1200 + 1800 = 3000 Вт |
| Изображение | Артикул | Наименование |
| F4030 | Плоское щелевое сопло 70 × 10 мм | |
| F4031 | Плоское щелевое сопло 70 × 4 мм | |
| F4021 | Щелевое сопло 150 × 1 мм | |
| F4022 | Щелевое сопло 150 × 10 мм |
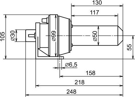
Цена и технические характеристики промышленного термонагревателя Forsthoff Model 3000E:
Технический паяльный фен
-
Алмазные коронки по железобетону Kern Diamond Bit Concrete Premium 210 ммДиаметр: 210 ммРабочая длина: 450 ммЦена: 28 900 руб.
-
Коронка алмазная по бетону для подрозетников под микроудар Keos Pulsar M16 68/70 ммДиаметр: 68 ммРабочая длина: 60 ммЦена: 3 290 руб.
-
Алмазная коронка для сухого сверления подрозетников с микроударом Адель Diamond Hit DH-D400 82/65 ммДиаметр: 82 ммРабочая длина: 65 ммЦена: 5 300 руб.
-
Алмазная коронка для сухого бурения с микроударом Адель Diamond Hit DH-D401 142 ммДиаметр: 142 ммРабочая длина: 450 ммЦена: 10 900 руб.
-
Коронка алмазная по бетону для подрозетников под микроудар Keos Pulsar M16 68/70 ммДиаметр: 68 ммРабочая длина: 60 ммЦена: 3 290 руб.
-
Сварочный автомат горячего воздуха СварПом СП51 20 ммШирина сварного шва: 20 ммСкорость сварки: 1,5 - 10 м/минЦена: 229 560 руб.
-
Опрессовщик электрический Сатурн НИЭ-3-60Давление: 60 барПроизводительность: 3 л/минЦена: 18 216 руб.
-
Алмазная коронка для сухого бурения с микроударом Адель Diamond Hit DH-D401 142 ммДиаметр: 142 ммРабочая длина: 450 ммЦена: 10 900 руб.
Новости
-
26.11.2025Новые поступления для серьёзной работы: спираль и адаптер от Crocodile
-
21.11.2024Поступление желобонакатчиков GruvMaster - Новинка на Российском рынке!
-
27.12.2023С новым 2024 годом!
-
20.12.2022Режим работы в Новогодние праздники
-
12.10.2022ФСБ сообщила о попытке теракта с ПЗРК «Игла» в Подмосковье



Отзывы
Оставьте Ваш отзыв